KJT-MR 441-11Y
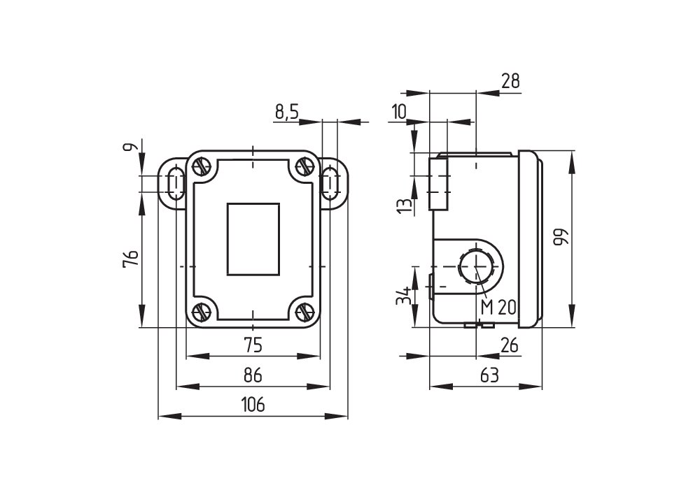
- ● :2 ????????????? M 20 x 1.5
- ● :?????????????????????????????? 90°
- ● :????????????????
- ● :106 ????????? x 99 ????????? x 63 ?????????(?????????????????)
- ● :???????????????IP65
?????????Kaikit Heavy Duty Limit Switch ??????????????????????,??????????????????????????????????、?????????????????????????、?????????? ? ????????????????????。??????????????????????????,?????????????????????????????????、??????????????????????????、??????????????????????????????????????????????。?????????????????????????。????????????????????????????? Bolseal

| ???????????????????? | |
| ???? | MR 441-11Y |
| ?????????????????? | ???????? |
| ????????????? | ??????????????,?????????? |
| ??????????? | ???? |
| ?????????? | 1,452g |
| ???????????????????(NC) | 1 |
| ????????????????????(NO) | 1 |
| B?10D???????????????? (NC) | 2,000,000 ??????????????? |
| ?????????????????????? | ?????????????? |
| ????????????? | ??????? |
| ?????????????? | 5,000,000 ??????????????? |
| ???????????, ??????????????????????????? | 30° |
| ???????????, ?????????????????????????? | 30° |
| ?????????????? | 2×2.5mm |
| ?????????????????????????? | 1mm/???? |
| ???????????????????????? | 0.5m/?????? |
| ????? | ??????????????????????:??????????????????? ??????????????????????? |
| ???????????????? | ???????????????? M20 x 1.5 |
| ???????????????????? | 1.5mm2 |
| ??????????????????? | 2.5mm2 |
| ????? | ?????????????:Ferrules ???????????? |
| ??????? | 13 AWG |
| ?????????? | |
| ??????? ????????? ??????? | 63mm*106mm*145mm |
| ??????????????? | 6.5mm |
| ??????????????????? | 25mm |
| ???????????????????? | |
| ??????????????? | IP65 |
| ??????????????? | -30 ... +90°C |
| ??????????????? | 250 VAC |
| ????????????????????????? | 4kV |
| ??????????? | |
| ???????????????????????? | 16A |
| ????????????????? | AC-15: 250 V / 4 A |
| ???????????????? | ?????????????????、???????????????? |
| ????????????? | ?????????????????? |
| ?????????????????? | 5 ms |
| ????????????????? | 35 ms |




? ? ?
????? ???????????????????? ??????????? ???????????? ???????????????? ???????? ?????????????????????/???VS?? NO ???????????????????? V???NC?????????????? N????????????????? |
