?????? Plug-in ???????????????????????
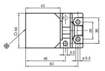
- ??????????????:KJT-BFT40
- ??????????????:????????????
- ???????????:15mm/20mm/25mm
- ????????????:10…36VDC
- ????????????:NPN/PNP NO/NC
- ???????????????:-25℃~+70℃
- ??????????:2M PVC?????????
? ????????????????? Kekit Square,??????????????????????????,???????????????????,??????????。????????????????????????,?????????????????????????????????。??????????????????????????? Nanjing Kekit ????? ????? ???????????? Turk ???????????????、??????、BEGAFU ???????????????????????????????????????。

| ● ????????????????????????????? | DC ?????????????? |
| ●???????????、???????????、???????、??????????????????????????????? | DC ????????????? |
| ●??????????????????: ABS | DC ??????NPN??????????? |
| ●????????????????: IP67(IEC) | DC ??????NPN??????? |
| ●????????????????: -25℃~+70℃ | DC ?????????PNP??????????? |
| DC ??????PNP??????? | |
| -- | |
| -- |

| ??????????????? | KJT-BFT40 |
| ?????????????? | ???????????? |
| ??????????? | 15mm/20mm/25mm |
| ??????????? | 10…36VDC |
| ???????????? | NPN/PNP? NO/NC |
| ????????????? | ≤±10% |
| ?????????????? | 1…20% |
| ????????????? | ≤3% |
| ???????????? | ≤200mA |
| ???????????? | ≤2.5V |
| ????????????????? | ≤10mA |
| ??????????? | ????????,?????????????????????? |
| ??????????????? | ?????LED |
| ??????????????? | -25…70℃ |
| ????????????????????? | 35-95% |
| ?????????????? | 1000 Hz |
| ??????????????? | IP67 |
| ????????????????????? | PC |
| ???????????????? | M12?????????????? |







