| ??????? | EN 60947-5-1 |
???????????????? (Y/N)? | ?? |
| ???????????????????????????????(???/???) | ????? |
| ??????????????????????(???/???) | ????? |
| ???????? |
| - ???????????????????? | ?????????, ??? |
| - ????????????? | ??????? |
| - ??????????? | ???? |
| ??????????? | ?? ?? |
| ??????? | 1655 g |
| ?????????????? | ?????? |
|
| ???????????????? |
|
| ???????????????? Description | ???????????????? |
| ????????????? |
| - ???????????????????? | 1.5 mm2 |
| - ??????????????????? | 2.5 mm2 |
| AWG??????? | 13 |
| ?????????????????? | ???????? |
| ?????????????? | 5.000.000 ????????????????? |
| ????????????????????????????????? | ?????????????? |
| ?????????? | ≤ 5 ms |
| ???????? | ≤ 35 ms |
| ????????????????? | 2 x 2.5 mm |
| ?????????????????? ?????????????????????? |
| - ????????????????????????? | 1 mm/min |
| - ???????????????????????? | 3 m/s |
| - ????????????????????????????????????????? | 30° |
| - ???????????????????????????????????? | 30° |
| ????? | ?????????????????????????????????????????? |
|
| ?????????? |
|
| ?????????????? |
| - ????????????????????? | ?30 °C |
| - ????????????????????? | +90 °C |
| ??????????????? | IP65 ???IEC/EN 60529 |
|
| ???????????????? |
|
| ????????????????????????? | ?????????????????(NO), ????(NC) |
| - ???????????????????? |
| - ????????????????????? |
| ??????????? | ???????????????? Snap Action |
| ??????????? | 1????? |
| ???????????? | 1????? |
| ?????????????? Uimp | 4 kV |
| ??????????????? Ui | 250 V |
| ???????????????????????? Ithe | 16 A |
| ????????????????? | AC-15: 250 V / 4 A |
| ???????????? | 16 A D???????????????????? |
|
| ???? |
|
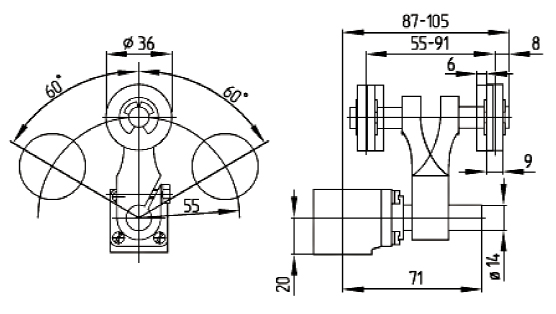
| ????????????? |
| - ???????????????????? | 106 mm |
| - ??????????????????? | 192 mm |
| - ?????????????????? | 63 mm |
| ???????????????????? | 9 mm |
| ???????????????????????? | 36 mm |